Este site usa cookies para garantir que você obtenha a melhor experiência.
ASTM A126 - 125 Libras
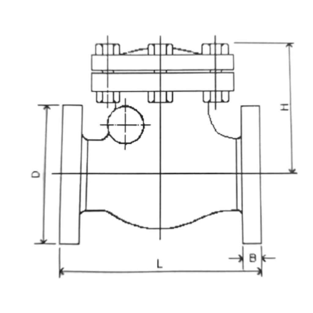
Válvula retenção portinhola única ferro fundido ASTM A126, classe 125 libras, tampa aparafusada, instalação horizontal e vertical, extremidades flangeadas, padrão ANSI B 16.10, vedação bronze.Válvula apta para trabalho em água.
Válvula retenção portinhola única ferro fundido ASTM A126, classe 125 libras, tampa aparafusada, instalação horizontal e vertical, extremidades flangeadas, padrão ANSI B 16.10, vedação bronze.
Válvula apta para trabalho em água.